Запасные части ЧТЗ Запасные части ЧТЗ
Алдан
Например:
Актобе
Алдан
или
Выбрать автоматически
Актобе
Алдан
Алматы
Алчевск
Архангельск
Астана
Астрахань
Атырау
Баку
Балашиха
Барнаул
Белгород
Бердянск
Бишкек
Владивосток
Владикавказ
Воркута
Воронеж
Горловка
Грозный
Донецк
Екатеринбург
Иваново
Ижевск
Иркутск
Казань
Калининград
Каменск-Уральский
Караганда
Каховка
Кемерово
Киров
Комсомольск-на-Амуре
Костанай
Краснодар
Красноярск
Красный луч
Ленск
Луганск
Магадан
Магнитогорск
Макеевка
Махачкала
Мелитополь
Минск
Мирный (Якутия)
Москва
Мурманск
Нерюнгри
Нижневартовск
Нижний Новгород
Нижний Тагил
Новая каховка
Новокузнецк
Новосибирск
Новый Уренгой
Норильск
Ноябрьск
Нур-Султан
Омск
Оренбург
Ош
Павлодар
Пермь
Петрозаводск
Петропавловск
Петропавловск-Камчатский
Псков
Ростов-на-Дону
Салехард
Самара
Санкт-Петербург
Саратов
Севастополь
Семей
Симферополь
Сочи
Ставрополь
Сургут
Сыктывкар
Тараз
Ташкент
Токмак
Томск
Тында
Тюмень
Ульяновск
Усинск
Усть-Каменогорск
Уфа
Хабаровск
Ханты-Мансийск
Херсон
Челябинск
Чита
Шымкент
Экибастуз
Энергодар
Южно-Сахалинск
Якутск
Ваш город
Алдан
Войти
Запасные части к тракторам на одном сайте
+7 (932) 303-00-10
+7 (932) 303-00-10
г. Алдан, ул. Тарабукина, д. 36В
Пн-Пт: 9:30-18:30 Cб-Вс: Выходной
Отправить заявку


Блок управления топливным насосом ПД на Т-170


/
с НДС 20%
Описание
Блок управления топливным насосом ПД Т-170
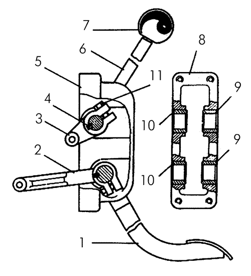
Поз.НаименованиеАртикулКол-во в сборке
0Блок управления 50-74-185СП1
0Шпонка5Х7,52
1Педаль акселератора50-74-190СП1
2Рычаг50-74-1531
3Рычаг50-74-1541
4Шпонка 341262
5Корпус в сборе50-74-191СП1
6Рычаг50-74-114СП1
7Рукоятка 13310СП1
8Корпус50-74-1521
9Втулка24-74-248-12
10Втулка24-74-249-12
11БолтМ8Х25.88.35.0192
Блок управления топливным насосом ПД